AKA60 6
Artikelnr.: PM-7052 | HAN: AKA60-6
_x000D_
• High radial load capacity _x000D_ • For wheeled robots, AGVs _x000D_ • Upgraded drive, One-click recognition _x000D_ • 2+5pin safe & durable plug
_x000D__x000D_ _x000D__x000D__x000D__x000D_ _x000D_
The AKA series is suitable for applications with high radial loads such as wheeled robots and AGVs. This series of products adopts a completely new structural design scheme. Compared to AK60-6 module motors under the same torque condition, the radial load is increased by more than 52%, prolonging the service life of the module. To address the complex working conditions of module motors and solve the problems of inconvenient plugging and unplugging of traditional module motor plugs and the vulnerability of signal line plugs during use.
_x000D_ _x000D__x000D_ _x000D_
This series of products features a brand-new 2+5PIN plug that integrates signal lines and power lines. The plug is fixed by screws, making it sturdy and durable.
_x000D_ _x000D__x000D__x000D__x000D_ _x000D_
_x000D_
_x000D__x000D_ _x000D__x000D_
AKA60-6
_x000D_ _x000D_
STURDY AND DURABLE WITH NEW PLUG
_x000D_ _x000D_
NEW SOLUTION _x000D_ HIGH RADIAL LOAD CAPACITY
_x000D__x000D_
_x000D_ _x000D_
_x000D__x000D_ _x000D__x000D_
NEW DESIGN _x000D_ FOR ENHANCED RADIAL _x000D_ LOAD CAPACITY
_x000D_ _x000D__x000D_ _x000D_
The motor structure is redesigned to increase _x000D_ the radial load to 18kg, _x000D_ 52% improvement compared to AK60-6
_x000D_ _x000D__x000D__x000D__x000D_
18
_x000D_ _x000D_
kg
_x000D_ _x000D_
_x000D__x000D_ _x000D_RADIAL LOAD_x000D__x000D_ _x000D__x000D__x000D_
52
_x000D_ _x000D_
%
_x000D_ _x000D_
_x000D__x000D_ _x000D_COMPARED TO AK60-6_x000D__x000D__x000D__x000D_
_x000D_ _x000D_
_x000D__x000D_ _x000D__x000D_
CUSTOM PLUGS _x000D_ SAFE & RELIABLE
_x000D_ _x000D__x000D_ _x000D_
The power plug, CAN signal plug, and UART _x000D_ signal plug are integrated into a brand-new 2+5 pin _x000D_ plug. The new plug is fixed with M2 screws, _x000D_ ensuring safety and reliability
_x000D__x000D_
_x000D_ _x000D_
_x000D_
_x000D_ _x000D__x000D_
UPGRADE THE DRIVER FOR _x000D_ EASY DEBUGGING
_x000D_ _x000D__x000D_ _x000D_
Open current loop parameters & UART port baud rate settings _x000D_ One-click for motor parameter recognition _x000D_ Update selected motor without firmware import necessary
_x000D_ _x000D_
ONE-CLICK SETUP
_x000D__x000D_
_x000D_
_x000D_ _x000D_
<
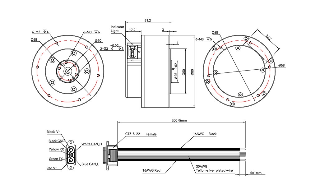
_x000D_ _x000D_Technical Drawing_x000D_ _x000D__x000D_

_x000D__x000D_ _x000D__x000D_Specification_x000D_ _x000D__x000D_
_x000D__x000D_| | | | | | --- | --- | --- | --- | |_x000D_ Application |_x000D_ AGV?WheeledRobot |_x000D_ Insulation Class |_x000D_ H |_x000D_ _x000D_|_x000D_ Operation Ambient Temperature |_x000D_ -20?~50? |_x000D_ Insulation High-Voltage |_x000D_ 500V |_x000D_ _x000D_|_x000D_ Winding Type |_x000D_ star |_x000D_ Insulation Resistance |_x000D_ 10MΩ |_x000D_ _x000D_|_x000D_ Pole Pairs |_x000D_ 14 |_x000D_ Inertia |_x000D_ 331.91gcm² |_x000D_ _x000D_|_x000D_ Reduction Ratio |_x000D_ 6:1 |_x000D_ Weight |_x000D_ 460g |_x000D_ _x000D_|_x000D_ Rated Radial Load |_x000D_ 18kg |_x000D_ |_x000D_ |_x000D_ _x000D__x000D_
_x000D_ _x000D_
_x000D__x000D_| | | | | | --- | --- | --- | --- | |_x000D_ Electric Parameters | | | |_x000D_ _x000D_|_x000D_ Rated Voltage |_x000D_ 24/48V |_x000D_ Ke |_x000D_ 0.0125V/krpm |_x000D_ _x000D_|_x000D_ No-Load Speed |_x000D_ 320/640rpm |_x000D_ Phase To Phase Resistance |_x000D_ 595mΩ |_x000D_ _x000D_|_x000D_ Rated Torque |_x000D_ 3Nm |_x000D_ Phase To Phase Inductance |_x000D_ 675μH |_x000D_ _x000D_|_x000D_ Rated Speed |_x000D_ 200/400rpm |_x000D_ Km |_x000D_ 0.1541Nm/√W |_x000D_ _x000D_|_x000D_ Rated Current |_x000D_ 4ADC |_x000D_ Mechanical Time Constant |_x000D_ 2.5ms |_x000D_ _x000D_|_x000D_ Peak Torque |_x000D_ 9Nm |_x000D_ Electrical Time Constant |_x000D_ 1.13ms |_x000D_ _x000D_|_x000D_ Peak Current |_x000D_ 11.2ADC |_x000D_ Kt |_x000D_ 0.11937Nm/A |_x000D_ _x000D_|_x000D_ Kv |_x000D_ 80rpm/V |_x000D_ |_x000D_ |_x000D_ _x000D__x000D_
_x000D__x000D__x000D_ _x000D_
Downloads:
_x000D_ _x000D__x000D__x000D_ _x000D_
_x000D_ _x000D__x000D_ _x000D_
_x000D_ _x000D__x000D_ _x000D_
AKA Series Module Product Manual V3.0.0.pdf
_x000D__x000D_ _x000D__x000D__x000D_
Vergleich aller Cube Mars Motoren:
_x000D__x000D_ _x000D__x000D_
_x000D__x000D_|_x000D_ category |_x000D_ Model |_x000D_ Rated Voltage (V) |_x000D_ Rated Power (W) |_x000D_ Rated Torque (Nm) |_x000D_ Rated Current (A) |_x000D_ Rated Speed (RPM) |_x000D_ Peak Torque (Nm) |_x000D_ Peak Current (A) |_x000D_ No-load Speed (RPM) |_x000D_ Reduction Ratio |_x000D_ Weight (G) |_x000D_ Size (diameter *length) MM |_x000D_ Driver Board |_x000D_ Encoder |_x000D_ | --- | --- | --- | --- | --- | --- | --- | --- | --- | --- | --- | --- | --- | --- | --- | _x000D__x000D__x000D_|_x000D_ AK Series |_x000D_ AK60-6 V3.0 |_x000D_ 24/48 |_x000D_ 74 |_x000D_ 3 |_x000D_ 3.8 |_x000D_ 233/490 |_x000D_ 9 |_x000D_ 10.3/11.2 |_x000D_ 320/640 |_x000D_ 6:1 |_x000D_ 380 |_x000D_ ?79*43 |_x000D_ Yes |_x000D_ Single |_x000D_ _x000D_|_x000D_ AK Series |_x000D_ AK10-9 V3.0 |_x000D_ 48 |_x000D_ 442 |_x000D_ 18 |_x000D_ 10.7 |_x000D_ 235 |_x000D_ 53 |_x000D_ 31.9 |_x000D_ 320 |_x000D_ 9:1 |_x000D_ 940 |_x000D_ ?98*61.7 |_x000D_ Yes |_x000D_ Dual |_x000D_ _x000D_|_x000D_ AK Series |_x000D_ AK10-9 V2.0 KV60 |_x000D_ 24/48 |_x000D_ 430 |_x000D_ 18 |_x000D_ 10.6 |_x000D_ 109/228 |_x000D_ 48 |_x000D_ 29.8 |_x000D_ 160/320 |_x000D_ 9:1 |_x000D_ 960 |_x000D_ ?98*61.7 |_x000D_ Yes |_x000D_ Dual |_x000D_ _x000D_|_x000D_ AK Series |_x000D_ AK60-6 V1.1 KV80 |_x000D_ 24 |_x000D_ 74 |_x000D_ 3 |_x000D_ 3.8 |_x000D_ 233 |_x000D_ 9 |_x000D_ 13.1 |_x000D_ 320 |_x000D_ 6:1 |_x000D_ 368 |_x000D_ ?79*39.5 |_x000D_ Yes |_x000D_ Single |_x000D_ _x000D_|_x000D_ AK Series |_x000D_ AK10-9 V2.0 KV100 |_x000D_ 24/48 |_x000D_ 720 |_x000D_ 15 |_x000D_ 16.2 |_x000D_ 205/421 |_x000D_ 38 |_x000D_ 41.2 |_x000D_ 266/533 |_x000D_ 9:1 |_x000D_ 960 |_x000D_ ?98*61.7 |_x000D_ Yes |_x000D_ Dual |_x000D_ _x000D_|_x000D_ AK Series |_x000D_ AK60-6 V1.1 KV140 |_x000D_ 24 |_x000D_ 130 |_x000D_ 3 |_x000D_ 6.5 |_x000D_ 420 |_x000D_ 9 |_x000D_ 22.7 |_x000D_ 560 |_x000D_ 6:1 |_x000D_ 368 |_x000D_ ?79*39.5 |_x000D_ Yes |_x000D_ Single |_x000D_ _x000D_|_x000D_ AK Series |_x000D_ AK70-10 |_x000D_ 24/48 |_x000D_ 230 |_x000D_ 8.3 |_x000D_ 7.2 |_x000D_ 148/310 |_x000D_ 24.8 |_x000D_ 23.2 |_x000D_ 240/480 |_x000D_ 10:1 |_x000D_ 521 |_x000D_ ?89*50.25 |_x000D_ Yes |_x000D_ Single |_x000D_ _x000D_|_x000D_ AK Series |_x000D_ AK80-6 |_x000D_ 48 |_x000D_ 340 |_x000D_ 6 |_x000D_ 9.7 |_x000D_ 603 |_x000D_ 12 |_x000D_ 20 |_x000D_ 800 |_x000D_ 6:1 |_x000D_ 485 |_x000D_ ?98*38.5 |_x000D_ Yes |_x000D_ Single |_x000D_ _x000D_|_x000D_ AK Series |_x000D_ AK80-64 |_x000D_ 24/48 |_x000D_ 220 |_x000D_ 48 |_x000D_ 7 |_x000D_ 23/48 |_x000D_ 120 |_x000D_ 19 |_x000D_ 37/75 |_x000D_ 64:1 |_x000D_ 850 |_x000D_ ?98*61.9 |_x000D_ Yes |_x000D_ Single |_x000D_ _x000D_|_x000D_ AK Series |_x000D_ AK80-8 |_x000D_ 48 |_x000D_ 230 |_x000D_ 10 |_x000D_ 6.9 |_x000D_ 243 |_x000D_ 25 |_x000D_ 21 |_x000D_ 360 |_x000D_ 8:1 |_x000D_ 570 |_x000D_ ?98*43.9 |_x000D_ Yes |_x000D_ Dual |_x000D_ _x000D_|_x000D_ AKE Series |_x000D_ AKE90-8 |_x000D_ 48 |_x000D_ 700 |_x000D_ 55 |_x000D_ 21 |_x000D_ 120 |_x000D_ 170 |_x000D_ 72 |_x000D_ 210 |_x000D_ 8:1 |_x000D_ 1400 |_x000D_ ?107.5*43.5 |_x000D_ No |_x000D_ |_x000D_ _x000D_|_x000D_ AKA Series |_x000D_ AKA10-9 |_x000D_ 48 |_x000D_ 205 |_x000D_ 18 |_x000D_ 10.6 |_x000D_ 109 |_x000D_ 53 |_x000D_ 32 |_x000D_ 320 |_x000D_ 9:1 |_x000D_ 1060 |_x000D_ ∅100*70 |_x000D_ Yes |_x000D_ Single |_x000D_ _x000D_|_x000D_ AK Series |_x000D_ AK80-9 |_x000D_ 48 |_x000D_ 330 |_x000D_ 9 |_x000D_ 10.3 |_x000D_ 390 |_x000D_ 18 |_x000D_ 22.3 |_x000D_ 533 |_x000D_ 9:1 |_x000D_ 485 |_x000D_ ?98*38.5 |_x000D_ Yes |_x000D_ Single |_x000D_ _x000D_|_x000D_ AKA Series |_x000D_ AKA60-6 |_x000D_ 24/48 |_x000D_ 62 |_x000D_ 3 |_x000D_ 4 |_x000D_ 200/400 |_x000D_ 9 |_x000D_ 11.2 |_x000D_ 320/640 |_x000D_ 6:1 |_x000D_ 460 |_x000D_ ?80*51.2 |_x000D_ Yes |_x000D_ Single |_x000D_ _x000D_|_x000D_ AKE Series |_x000D_ AKE60-8 |_x000D_ 24 |_x000D_ 95 |_x000D_ 5 |_x000D_ 4.8 |_x000D_ 180 |_x000D_ 12.5 |_x000D_ 12 |_x000D_ 240 |_x000D_ 8:1 |_x000D_ 260 |_x000D_ ?69*25 |_x000D_ No |_x000D_ |_x000D_ _x000D_|_x000D_ AKE Series |_x000D_ AKE80-8 |_x000D_ 48 |_x000D_ 188 |_x000D_ 12 |_x000D_ 4.8 |_x000D_ 150 |_x000D_ 30 |_x000D_ 12 |_x000D_ 180 |_x000D_ 8:1 |_x000D_ 570 |_x000D_ ?87*32 |_x000D_ No |_x000D_ |_x000D_ _x000D__x000D_
_x000D__x000D__x000D_
Last updated