AKE90 8
Artikelnr.: PM-7051 | HAN: AKE90-8-35kv

_x000D_
• Robotic Actuator with a Planetary Gear
_x000D_ _x000D_
• Flexible Installation with Bi-directional Mounting
_x000D_ _x000D_
• Modular Design
_x000D_ _x000D_
• low Arcmin Backlash for High Precision
_x000D_ _x000D_
• Constantly Powerful Performance
_x000D_ _x000D_
• Specially for Exokseleton
_x000D_ _x000D__x000D_ _x000D__x000D_ _x000D__x000D__x000D_ _x000D__x000D__x000D__x000D_ _x000D_
CubeMars' AKE90-8 KV35 Quasi Direct Drive is the ideal choice for the industrial automation and robotics. This product integrates motor and gearbox, particularly suited for applications such as exoskeletons, bipedal robots, robotic arms, and industrial collaborative robots.
_x000D_ _x000D__x000D_ _x000D_
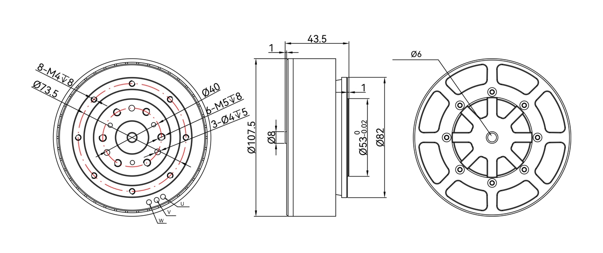
The core components of the gearbox are optimized for design and manufacturing processes, offering higher load capacity and lighter weight, achieving a backlash of 9 arcminutes and a torque density of 121 N.m/kg. The modular design of the gearbox and motor facilitates easy installation and maintenance. The motor base is equipped with threaded and through holes for versatile bi-directional mounting, accommodating various installation requirements.
_x000D_ _x000D__x000D_ _x000D_
CubeMars is dedicated to innovation and quality, ensuring each product meets high customer standards through advanced manufacturing technologies and stringent quality control processes.
_x000D_ _x000D__x000D__x000D__x000D_ _x000D_
_x000D_
_x000D_
_x000D_ _x000D__x000D_
Robotic Actuator with Planetary Gear
_x000D_ _x000D_
QUASI DIRECT DRIVE
_x000D_ _x000D_
Light and Compact,Precise and Powerful
_x000D__x000D_
_x000D_ _x000D_
_x000D_
_x000D_ _x000D__x000D_
PRECISION TRANSMISSION _x000D_ WITH HEAVY LOAD CAPACITY
_x000D_ _x000D_
Achieve higher transmission accuracy within 9 arc backlash; optimized reducer increases load capacity,reaching peak torque density of 121N.m/kg.
_x000D__x000D_
_x000D_ _x000D_
_x000D_
_x000D_ _x000D__x000D_
QUIET OPERATION WITH _x000D_ PRECISION EXCELLENCE
_x000D_ _x000D_
Utilizing grade 5 precision gears and optimized core components in the reducer significantly reduces operational noise while extending motor lifespan
_x000D__x000D_
_x000D_ _x000D_
_x000D_
_x000D_ _x000D__x000D_
WINDING UPGRADING FOR _x000D_ EFFICIENCY BOOST
_x000D_ _x000D_
Enhanced winding process increases slot fill factor by 10% compared to AK series reducing copper losses and temperature rise for superior torque output
_x000D__x000D_
_x000D_ _x000D_
_x000D_
_x000D_ _x000D__x000D_
MODULAR DESIGN FOR _x000D_ HASSLE-FREE MAINTENANCE
_x000D_ _x000D_
Motor and reducer feature separate modular design for easy and quick disassembly and maintenance
_x000D__x000D_
_x000D_
_x000D_ _x000D_ _x000D__x000D_ _x000D_ _x000D__x000D__x000D__x000D_ Technical Drawing_x000D__x000D_

_x000D__x000D__x000D__x000D_ Specification_x000D__x000D_
Application
Exoskeleton
Ke (V/krpm)
0.0285
Driving way
FOC
Phase to Phase resistance (MO)
164
Operation ambient temperature
-20~50
Phase to Phase inductance (µH)
235
Winding type
delta
Inertia (gcm²)
3377.08
Insulation class
H
Km (Nm/vW)
0.67372
Insulation High-voltage (V)
1000V 5mA/2s
Mechanical time constant (ms)
2.18
Insulation resistance (MO)
1000V 10MO
Electrical time constant (ms)
1.4329
Pole pairs
21
Weight (g)
1400
Backlash (arcmin)
9
Maximum torque weight ratio (Nm/kg)
121.4
Rated voltage (V)
48
Peak torque (Nm)
170
No-load speed (rpm)
210
Peak current (ADC)
72
Rated torque (Nm)
55
Kv (rpm/V)
35
Rated speed (rpm)
120
Kt (Nm/A)
0.272
Rated current (ADC)
21
_x000D__x000D__x000D__x000D__x000D_ Analysis Chart_x000D__x000D_

_x000D__x000D_
Downloads:
_x000D__x000D_
_x000D_ _x000D_ _x000D_ _x000D_ _x000D_ _x000D__x000D__x000D_
Vergleich aller Cube Mars Motoren:
_x000D__x000D__x000D_
_x000D__x000D_|_x000D_ category |_x000D_ Model |_x000D_ Rated Voltage (V) |_x000D_ Rated Power (W) |_x000D_ Rated Torque (Nm) |_x000D_ Rated Current (A) |_x000D_ Rated Speed (RPM) |_x000D_ Peak Torque (Nm) |_x000D_ Peak Current (A) |_x000D_ No-load Speed (RPM) |_x000D_ Reduction Ratio |_x000D_ Weight (G) |_x000D_ Size (diameter *length) MM |_x000D_ Driver Board |_x000D_ Encoder |_x000D_ | --- | --- | --- | --- | --- | --- | --- | --- | --- | --- | --- | --- | --- | --- | --- | _x000D__x000D__x000D_|_x000D_ AK Series |_x000D_ AK60-6 V3.0 |_x000D_ 24/48 |_x000D_ 74 |_x000D_ 3 |_x000D_ 3.8 |_x000D_ 233/490 |_x000D_ 9 |_x000D_ 10.3/11.2 |_x000D_ 320/640 |_x000D_ 6:1 |_x000D_ 380 |_x000D_ ?79*43 |_x000D_ Yes |_x000D_ Single |_x000D_ _x000D_|_x000D_ AK Series |_x000D_ AK10-9 V3.0 |_x000D_ 48 |_x000D_ 442 |_x000D_ 18 |_x000D_ 10.7 |_x000D_ 235 |_x000D_ 53 |_x000D_ 31.9 |_x000D_ 320 |_x000D_ 9:1 |_x000D_ 940 |_x000D_ ?98*61.7 |_x000D_ Yes |_x000D_ Dual |_x000D_ _x000D_|_x000D_ AK Series |_x000D_ AK10-9 V2.0 KV60 |_x000D_ 24/48 |_x000D_ 430 |_x000D_ 18 |_x000D_ 10.6 |_x000D_ 109/228 |_x000D_ 48 |_x000D_ 29.8 |_x000D_ 160/320 |_x000D_ 9:1 |_x000D_ 960 |_x000D_ ?98*61.7 |_x000D_ Yes |_x000D_ Dual |_x000D_ _x000D_|_x000D_ AK Series |_x000D_ AK60-6 V1.1 KV80 |_x000D_ 24 |_x000D_ 74 |_x000D_ 3 |_x000D_ 3.8 |_x000D_ 233 |_x000D_ 9 |_x000D_ 13.1 |_x000D_ 320 |_x000D_ 6:1 |_x000D_ 368 |_x000D_ ?79*39.5 |_x000D_ Yes |_x000D_ Single |_x000D_ _x000D_|_x000D_ AK Series |_x000D_ AK10-9 V2.0 KV100 |_x000D_ 24/48 |_x000D_ 720 |_x000D_ 15 |_x000D_ 16.2 |_x000D_ 205/421 |_x000D_ 38 |_x000D_ 41.2 |_x000D_ 266/533 |_x000D_ 9:1 |_x000D_ 960 |_x000D_ ?98*61.7 |_x000D_ Yes |_x000D_ Dual |_x000D_ _x000D_|_x000D_ AK Series |_x000D_ AK60-6 V1.1 KV140 |_x000D_ 24 |_x000D_ 130 |_x000D_ 3 |_x000D_ 6.5 |_x000D_ 420 |_x000D_ 9 |_x000D_ 22.7 |_x000D_ 560 |_x000D_ 6:1 |_x000D_ 368 |_x000D_ ?79*39.5 |_x000D_ Yes |_x000D_ Single |_x000D_ _x000D_|_x000D_ AK Series |_x000D_ AK70-10 |_x000D_ 24/48 |_x000D_ 230 |_x000D_ 8.3 |_x000D_ 7.2 |_x000D_ 148/310 |_x000D_ 24.8 |_x000D_ 23.2 |_x000D_ 240/480 |_x000D_ 10:1 |_x000D_ 521 |_x000D_ ?89*50.25 |_x000D_ Yes |_x000D_ Single |_x000D_ _x000D_|_x000D_ AK Series |_x000D_ AK80-6 |_x000D_ 48 |_x000D_ 340 |_x000D_ 6 |_x000D_ 9.7 |_x000D_ 603 |_x000D_ 12 |_x000D_ 20 |_x000D_ 800 |_x000D_ 6:1 |_x000D_ 485 |_x000D_ ?98*38.5 |_x000D_ Yes |_x000D_ Single |_x000D_ _x000D_|_x000D_ AK Series |_x000D_ AK80-64 |_x000D_ 24/48 |_x000D_ 220 |_x000D_ 48 |_x000D_ 7 |_x000D_ 23/48 |_x000D_ 120 |_x000D_ 19 |_x000D_ 37/75 |_x000D_ 64:1 |_x000D_ 850 |_x000D_ ?98*61.9 |_x000D_ Yes |_x000D_ Single |_x000D_ _x000D_|_x000D_ AK Series |_x000D_ AK80-8 |_x000D_ 48 |_x000D_ 230 |_x000D_ 10 |_x000D_ 6.9 |_x000D_ 243 |_x000D_ 25 |_x000D_ 21 |_x000D_ 360 |_x000D_ 8:1 |_x000D_ 570 |_x000D_ ?98*43.9 |_x000D_ Yes |_x000D_ Dual |_x000D_ _x000D_|_x000D_ AKE Series |_x000D_ AKE90-8 |_x000D_ 48 |_x000D_ 700 |_x000D_ 55 |_x000D_ 21 |_x000D_ 120 |_x000D_ 170 |_x000D_ 72 |_x000D_ 210 |_x000D_ 8:1 |_x000D_ 1400 |_x000D_ ?107.5*43.5 |_x000D_ No |_x000D_ |_x000D_ _x000D_|_x000D_ AKA Series |_x000D_ AKA10-9 |_x000D_ 48 |_x000D_ 205 |_x000D_ 18 |_x000D_ 10.6 |_x000D_ 109 |_x000D_ 53 |_x000D_ 32 |_x000D_ 320 |_x000D_ 9:1 |_x000D_ 1060 |_x000D_ Ø100*70 |_x000D_ Yes |_x000D_ Single |_x000D_ _x000D_|_x000D_ AK Series |_x000D_ AK80-9 |_x000D_ 48 |_x000D_ 330 |_x000D_ 9 |_x000D_ 10.3 |_x000D_ 390 |_x000D_ 18 |_x000D_ 22.3 |_x000D_ 533 |_x000D_ 9:1 |_x000D_ 485 |_x000D_ ?98*38.5 |_x000D_ Yes |_x000D_ Single |_x000D_ _x000D_|_x000D_ AKA Series |_x000D_ AKA60-6 |_x000D_ 24/48 |_x000D_ 62 |_x000D_ 3 |_x000D_ 4 |_x000D_ 200/400 |_x000D_ 9 |_x000D_ 11.2 |_x000D_ 320/640 |_x000D_ 6:1 |_x000D_ 460 |_x000D_ ?80*51.2 |_x000D_ Yes |_x000D_ Single |_x000D_ _x000D_|_x000D_ AKE Series |_x000D_ AKE60-8 |_x000D_ 24 |_x000D_ 95 |_x000D_ 5 |_x000D_ 4.8 |_x000D_ 180 |_x000D_ 12.5 |_x000D_ 12 |_x000D_ 240 |_x000D_ 8:1 |_x000D_ 260 |_x000D_ ?69*25 |_x000D_ No |_x000D_ |_x000D_ _x000D_|_x000D_ AKE Series |_x000D_ AKE80-8 |_x000D_ 48 |_x000D_ 188 |_x000D_ 12 |_x000D_ 4.8 |_x000D_ 150 |_x000D_ 30 |_x000D_ 12 |_x000D_ 180 |_x000D_ 8:1 |_x000D_ 570 |_x000D_ ?87*32 |_x000D_ No |_x000D_ |_x000D_ _x000D__x000D_
_x000D__x000D__x000D_
Last updated